Teleskopik Sac Muhafaza

PDF Yazdır

Ölçü Formu


Firma:
Yetkili Kişi:
Telefon:
Fax:
E-mail:
Açıklama :
Takım Tezgahları Tipi:
Tip:
Talaş Tipi:
Kapakların Sayısı (Kaset Sayısı):
Kapağın çalışma kümesi :




Kapak Türü :
Kapak Türü

Kapak Türü {I , II , ..... , X} :
Malzeme Türü :   Çelik
Paslanmaz Çelik
Asit Dayanıklı Çelik



Soğutma sıvısı (Bor Yağı) :


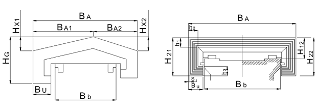
Bilgilendirici taslaklar doğrultusunda temel teknik veriler :


Toplam açık boy (L Max) :
mm
Toplam kapalı boy(L Min):
mm
Çalışma Alanı (Stroke) L Sk:
mm
Maksimum Hız:
m/min

Temel boyutları sağlayın :

BA :
mm
HG :
mm
H21 :
mm
H22 :
mm
Bb :
mm
S 1 :
mm
h1,2,3 :
mm
Bu :
mm
HX1 :
mm
HX2 :
mm
BA1 :
mm
BA2 :
mm
Ek Bilgiler :

BTS Cover Teleskobik Sac Muhafazaları, makina tezgahlarına ait kızakları, vidalı milleri korumak ve çeşitli çalışma alanlarında mekanik korumanın yanı sıra iş güvenliğini etkileyen problemli bölgelerdeki ihtiyaçları ortadan kaldıran, özel tasarım ve proje destekli üretilen çözüm anahtarlarımızdan biridir.

BTS Cover Mekanik Koruma Sistemleri tarafından tasarlanan çözüm anahtarları, yüksek sertlik derecesine sahip ithal saclar kullanılarak, yüksek büküm hassasiyetinde üretilirler.

Verimli çalışma sağlayarak mekanik bakım maliyetini minimum seviyede tutan ürünlerimizi sürekli geliştiriyor, AR-GE ve ÜR-GE çalışmalarımıza yapılan yatırımlarımız ile rekabet gücümüzü sürekli arttırıyoruz.



Teleskopik sac muhafazalar, makine tezgâhlarının hareketli parçalarını dış etkenlerden korumak üzere tasarlanır. Vidalı miller, kızaklar ve hassas mekanizmalar en küçük metal talaş, soğutma sıvısı veya darbeden bile etkilenebilir; bu yüzden doğru muhafaza seçimi hem ekipman ömrünü uzatır hem de bakım maliyetlerini azaltır. BTS Cover’ın tasarımları, saha ihtiyaçlarına göre uyarlanabilen konstrüksiyon yapısıyla öne çıkar.

 

Üretim sürecinde yüksek sertlikte sacları ve hassas büküm tekniklerini bir araya getirerek hem dayanıklı hem de düzgün çalışan bir sistem ortaya koyuyoruz. Teleskopik yapı, cihaz hareketlerine paralel olarak açılıp kapanır; böylece kullanım sırasında şekil bozukluğu veya sürtünme minimuma iner. Montaj kolaylığı, bakım sırasında sök-tak hızını artırır; ayrıca sistemlerin toz, talaş ve sıvı temasından korunması sonucu üretim verimliliği yükselir.

 

Eğer makine parkınızda güvenilir, uzun ömürlü ve sahaya göre özelleştirilebilen bir koruma arıyorsanız teleskopik sac muhafazalar güçlü bir çözüm sunar. Doğru uygulandığında ekipman duruş süreleri azalır, servis aralıkları uzar ve operasyonel verim artar. BTS Cover’ın proje destekli yaklaşımıyla, mevcut sistemlerinize en uygun boyut ve yapı çözümlerini sağlayabiliriz.

Mutlu Müşterilerimiz

Partnerlerimiz

Birlikte iş yapmaktan mutluluk duyduğumuz firmalar

İletişim

Bize Mesaj Gönderin

Neredeyiz?

  • Telefon
    0224 215 0 278
  • Adres
    OSB Işıktepe mh. 75. Yıl Bulvarı No.5
    Demirciler Sitesi E Blok D.11 Nilüfer / BURSA
  • E-Posta
    info@btscover.com